04 The Processor Pt1
1 Introduction#

- 在指令进入寄存器模块前,不需要进行解码,因为 RISC-V 中不同指令的 rd, rs1, rs2的相对位置完全一致,除了立即数,本图缺少了ImmGen模块。
- Contorl信号控制所有的 MUX,以及模块的使能信号
- CPUTime 取决于频率和 CPI,Cycle 小可能导致 CPI 增大
2 Datapath#

- Modify PC 是旁路,剩下五个是标准步骤,明确某种指令对应的最小需要单元
- Fetch inst mem
- Inst decoding & read operand,执行速度快,同步进行
- Executive Control, ALU operations
- Mem access,不是所有指令都需要访存,ld/sd
- Write to reg, R/I
2.1 不同指令使用的模块#
2.1.1 Fetch#

2.1.2 R-Type#
- Read two reg operands
- Perform ALU operation, arithmetic/logical
- Write result to reg

- 注意 RISC-V 中 ALUop是 4 bit 的,因为实现了更多功能
- reg的信号要求- rs1, rs2
- rd信号保持
- RegWrite = 1'b1
 
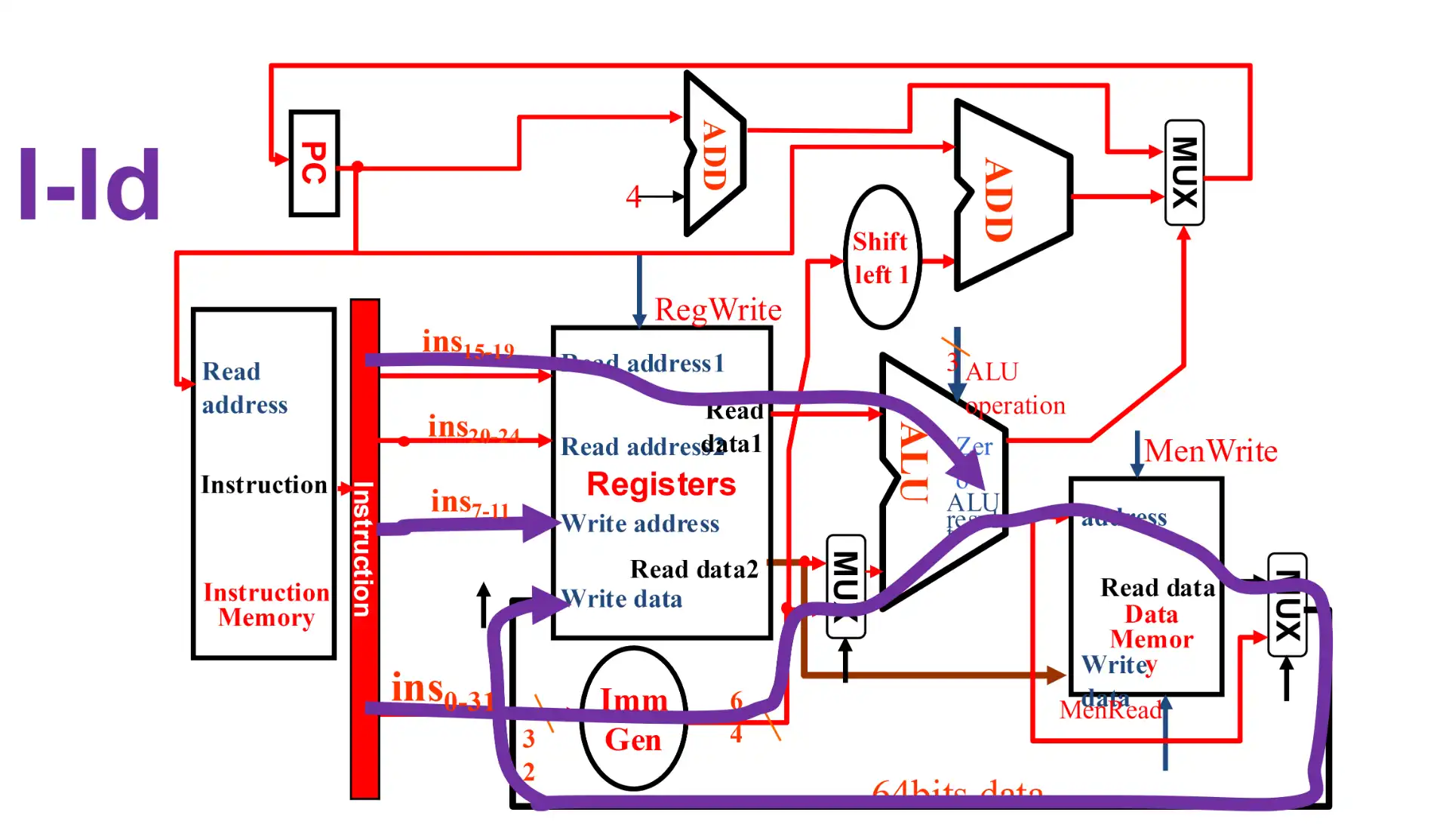
2.1.3 Load/Store#
- Read reg operands
- Calculate address, use ALU, 12-bit offset, sign extened
- Read/Write reg/mem

- 由于内存访问开销较大,设计 MemRead来避免不可控的访存
- ImmGen的输入就是- inst,要针对不同类型的指令提取/重组立即数,并进行 sign extend
2.1.4 Branch#
- Read reg operands
- Compare operands- ALU zero output
 
- Calculate target address- sign-extend displacement
- shift left 1
- add to PC value
 

- offset 左移是在电路里完成的,产生了 offset * 2 的效果,但是在写代码的时候不需要考虑,编译器会处理好
- jal没有用到 ALU,因为不需要跳转条件,但是也用到了寄存器,因为保存了- return address
2.2 连线题#

- ALUC 就是 ALUControl,将fun7, fun3单独解码有利于加快速度
- ALUop[1:0]
- 
图中的ALUC输出应该是 4-bit

- 
图中rs1连错了
- 
图中 Sign extend 应该是ImmGen模块
- 
这张图错误太多了
改成 addi
- 将 ALU result 接到 reg write data
- 让 MemWrite MemRead 都为 0

- RegWrite = MemRead = 0, MemWrite = 1

- 
图中 Sign extend 应该为ImmGen
- 
图中右上角的 MUX 第一个输入应该为PC+4

- 
这张图不完整,直接 loop 了,没有保存return addres
- 
图中的 Sign extend 应该为ImmGen
- 
应该为PC+4
- 无条件跳转不需要 ALU
2.3 Full Datapath#

- 三个控制信号- ALUSrc决定 operand2 是- rs2还是- imm
- PCSrc决定- PC是用- PC+4还是跳转地址
- MemtoReg决定 reg write 用 mem 还是- ALUresult
 
- 五个步骤- inst fetch
- decode & reg read
- execute
- mem
- write to reg
 
2.4 不同指令的数据通路#



- ALUSrc只能取- Imm
- MemtoReg这个 MUX 取任何值都可以,反正- RegWrite = 0

- PCSrc = Branch & ALU_zero

- jal做了两件事情- 将 PC+4存入rd,需要经过MemtoReg,于是需要换成 2-bit 控制信号
- 跳到 PC+offset,不用经过 ALU
 
- 将 
- ALUSrc, ALUOperation可以随便选,ALU 输入输出没有任何影响
3 Control#

3.1 控制信号 7+4#

- 
7+4 控制信号- 7 个单独的信号
- 4 位 ALU 控制信号
 
- 
图中ALU_zero没有连接PCSrc,当然ALU_zero也不属于控制信号

- 
和书上不同,MemtoReg应该是两位的
- 
注意二级译码,ALUop信号是ALUController二级译码产生的信号
3.2 完整的 control#

- 
一定要记住的一张图
- 这里使用了二级译码,control输出的ALUOp是 2 位的
- 关于 X的情况- sd, bep都不写入寄存器,- RegWrite = 0,所以- MemtoReg = don't care
- jal不需要主 ALU 的任何操作,所以- ALUSrcB = ALUOp = don't care
 
- Instruction memory & Data memory- 从处理器的视角,有利于提高吞吐量
- 但是在实际内存中是共享的,只是缓存映射不一样
 
3.2.1 关于二级译码#

3.3 更多分析题#
4 Conclusion#
- 
记住下面两张图

